×
搜索
搜索
网站导航
首 页
关于品业
产品展示
生产实力
荣誉资质
应用案例
新闻资讯
联系我们
您的位置:
首页
→
产品展示
→
EE/EI/EEL型
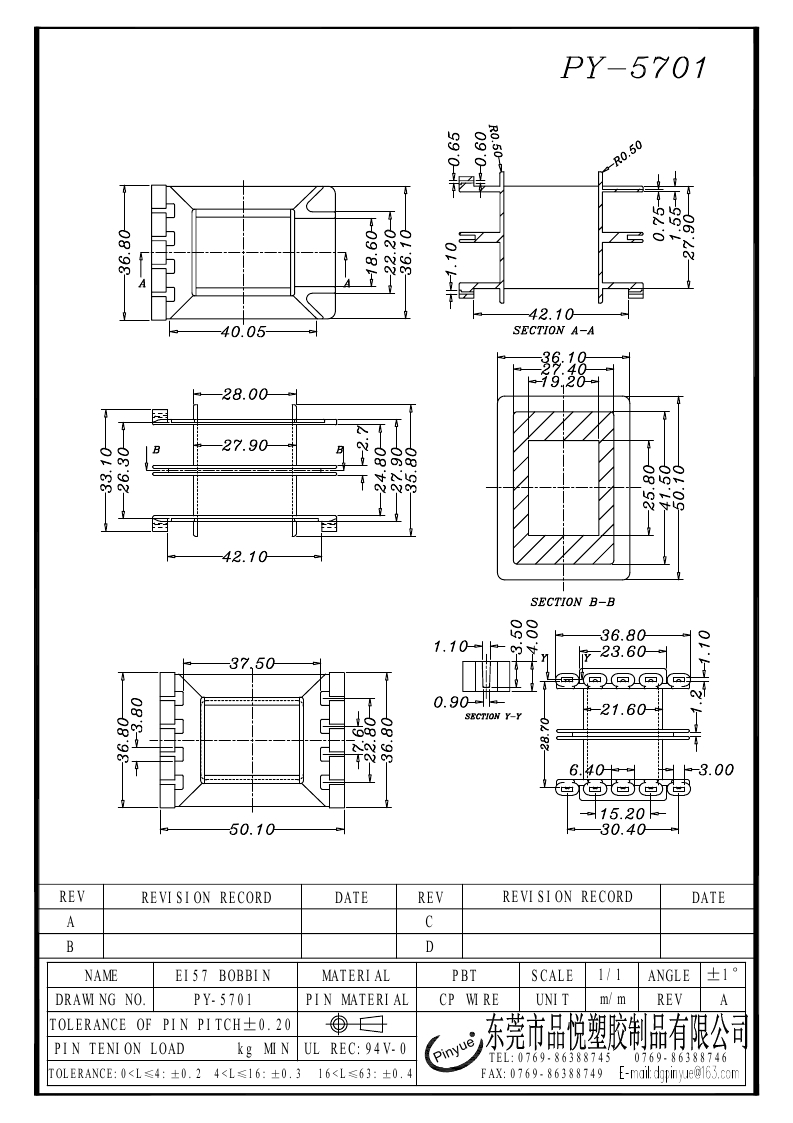
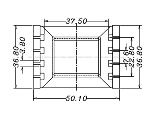
PY-5701 EI57 立式双槽
上一个:PY-5504 EE-55(10+10P)卧式单槽
下一个:PY-6301 EI63*80 无PIN
详情介绍
东莞市品业电子有限公司 版权所有
技术支持:
东莞网站建设