×
搜索
搜索
网站导航
首 页
关于品业
产品展示
生产实力
荣誉资质
应用案例
新闻资讯
联系我们
您的位置:
首页
→
产品展示
→
EE/EI/EEL型
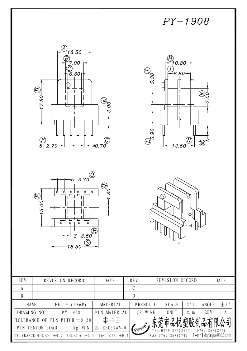
PY-1908 EE-19(4+6P)卧式双槽
上一个:PY-1907几种 EEL-19(5+5P)卧式单槽
下一个:PY-1909/-1 EE-19(5+5P)立式单槽
详情介绍
东莞市品业电子有限公司 版权所有
技术支持:
东莞网站建设