×
搜索
搜索
网站导航
首 页
关于品业
产品展示
生产实力
荣誉资质
应用案例
新闻资讯
联系我们
您的位置:
首页
→
产品展示
→
PQ型
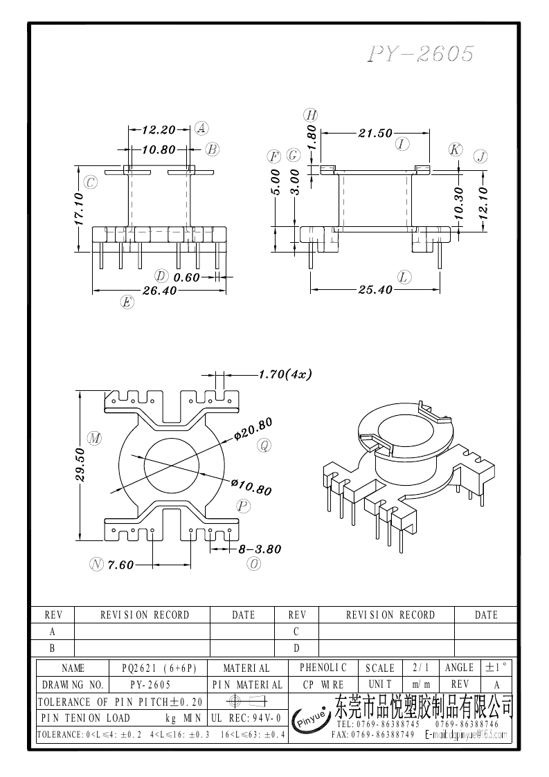
PY-2605 PQ26*21(6+6P)立式单槽
上一个:PY-2604 PQ26*20(6+6P)立式单槽
下一个:PY-2822 ERL-28(6+6P)卧式单槽 打L针
详情介绍
东莞市品业电子有限公司 版权所有
技术支持:
东莞网站建设